

Providing a low-cost and single-wire scheme, it comes as no surprise that LIN bus systems are increasingly used in the body domain of vehicles. Typical LIN applications, such as seat control, lighting and steering wheel, are generating more requests for smaller bill of material and lower costs on system level. NXP’s latest smart QUAD LIN transceiver SJA1124 provides an innovative way to connect LIN bus to MCU for the electronic control units (ECUs) in the car to meet the aforementioned needs.
The number of LIN channels per application is increasing as the use of the LIN bus becomes widespread. Unlike the increasing number of LIN nodes, the space and bill of material for these applications are often shrinking to save cost. NXP’s SJA1124 is a QUAD LIN transceiver with integrated commander terminations, LIN controllers and an SPI-to-LIN bridge. These features bring scalability and flexibility to the application network and MCU option, providing you with varied benefits.
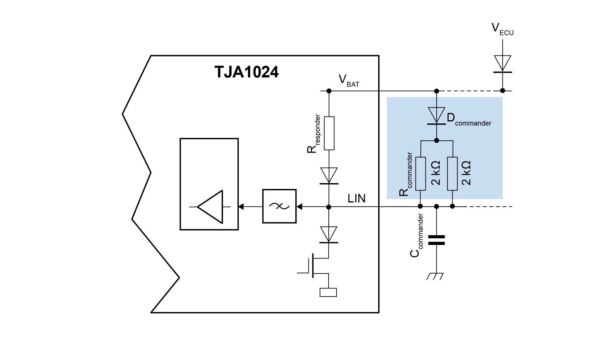
A conventional LIN commander termination is built up with additional discrete components, such as one or two pull-up resistors and one diode. This means a four-channel LIN commander application would request a maximum of eight pull-up resistors and four diodes additionally, which consumes significant board space.
In Figure 1 below, you will find the conventional LIN commander termination layout. To relieve this customer concern, NXP’s T/SJA1124 has integrated the LIN commander termination, as well as a high-side switch to prevent the LIN from short-circuit to the ground. Figure 2 shows how NXP’s T/SJA1124 works as LIN commander and saves the bill of material thanks to the integrated commander termination.
With less IO pins needed: At least two pins are required for each LIN channel: TXD (transmit) and RXD (receive). In addition, one or more mode control pins might be necessary to switch the LIN transceiver mode from low power mode to normal mode and vice versa. Thus, for applications with multiple LIN channels, the number of necessary pins accumulates by at least a factor of two. In the case of an eight-channel LIN application, 16+ pins are required. If the MCU pin count is already critical, the high number of pins required for multiple LIN channels might force the selection of a more expensive MCU variant with more pins, if available — which is not always the case. This leads to a significant increase in the BOM as well as the system cost.
With integrated LIN controllers: As part of the on-chip peripherals, the available number of integrated LIN protocol controllers typically depends on the performance class of the MCU family. In other words, the lower the performance class, the fewer LIN controllers are integrated within the MCU. In most LIN applications, such as seat switches, window and roof control, the MCU is often low-end with limited pin count and LIN controllers.
What if the LIN protocol controller could move into the LIN transceiver? By integrating a LIN protocol controller into a LIN transceiver device, the TXD and RXD signals between MCU and LIN transceiver are eliminated. Instead, a standard MCU interface for peripherals can be used, such a SPI. Such a LIN device—like NXP’s SJA1124—that has an SPI on one side and a LIN bus interface on the other, is called an “SPI-to-LIN bridge.”
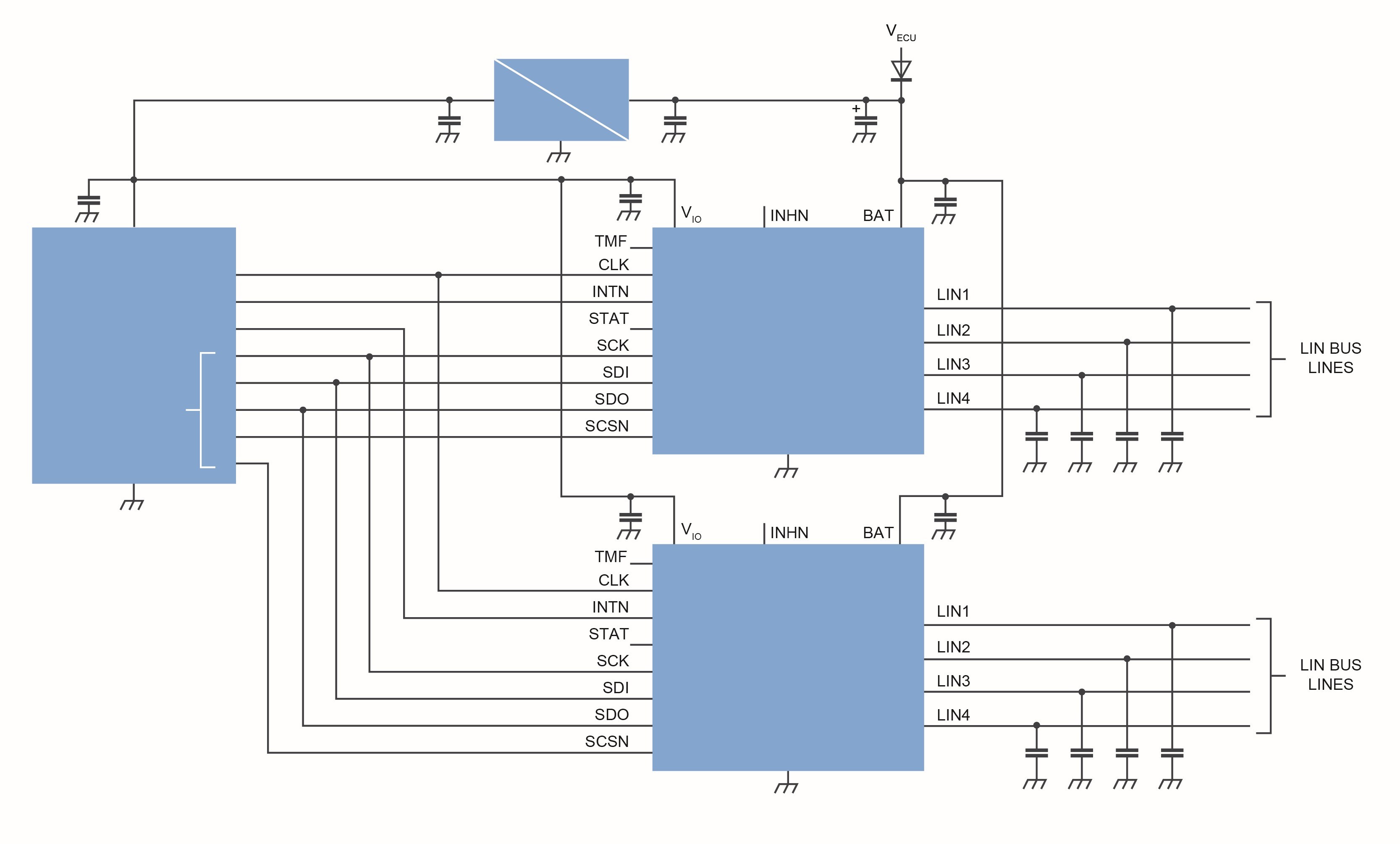
With NXP SJA1124’s integrated LIN protocol controllers and SPI-to-LIN bridge, customers are free to use as many LIN channels as they want and choose any attached MCU. Figure 3 below gives an example of how the SPI-to-LIN bridge is used in multiple SJA1124 applications.
To get the complete overview, download our SJA1124 whitepaper.
LIN data communication is achieved via SPI; the NXP SJA1124 converts the transmit data stream received on the SPI input into LIN commander frames on the LIN bus. The data stream on the LIN bus can be read via SPI. A complete LIN frame can be transmitted in one single SPI operation. As shown in the example in Figure 3, eight LIN channels can be built up with two SJA1124 devices. In this configuration, only five MCU pins are needed for the SPI communication (clock, data in, data out, chip select 1, and chip select 2) compared with 16+ pins in conventional LIN devices.
Leveraging the SPI-to-LIN bridge as a MCU interface for multiple LIN channels consequently sets the focus on the SPI performance, because it might become a challenge to the LIN data flow. In other words, the SPI runtime might be the limiting factor for the data throughput. However, the SPI runtime depends on the selected hardware (MCU and SPI-to-LIN bridge) and software implementation (SPI handler/driver). With the MCU SPI and software implementations, this challenge can be managed in a better way.
In conclusion, NXP’s SJA1124 represents a great solution for any MCUs to handle a high number of LIN commander channels. It offers cost and space-saving solutions with more flexibility and scalability.
Rainer Evers is a System Engineer with more than 20 years of experience in the semiconductor industry. Throughout his professional career, at NXP Semiconductors and prior Philips Semiconductors, he focused on Automotive CAN, LIN and Ethernet transceivers. In his role, he is responsible for transceiver product definition and represents NXP as expert in LIN standardization in ISO and SAE.
Weibo Qiu is a Product Marketing Manager at NXP, responsible for LIN products portfolio and marketing engagement. Prior to his marketing role in LIN, Weibo also spent one year in the Automotive Radar R&D group with focus on radar propagation simulation. Weibo holds a MSc degree in Embedded Systems from the TU Eindhoven and TU Berlin.
Tags: Automotive, Vehicle Networking

February 1, 2023

December 16, 2022

December 1, 2022