
OM7842
No Longer Manufactured
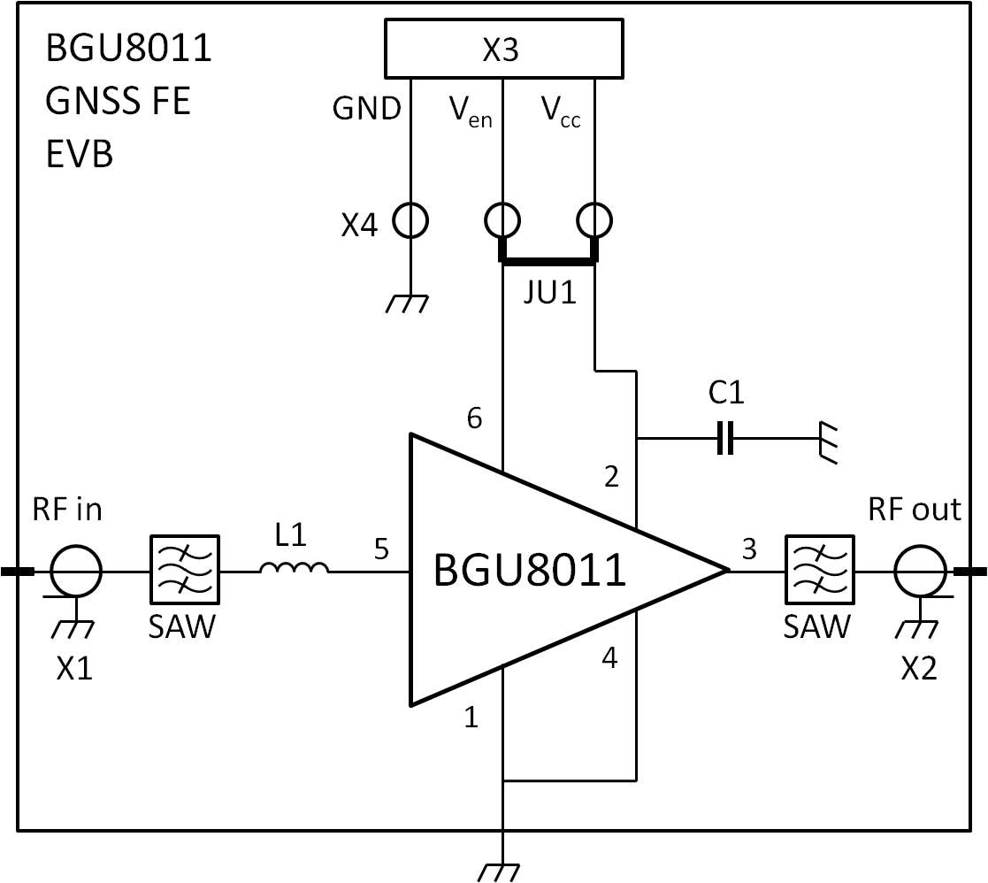
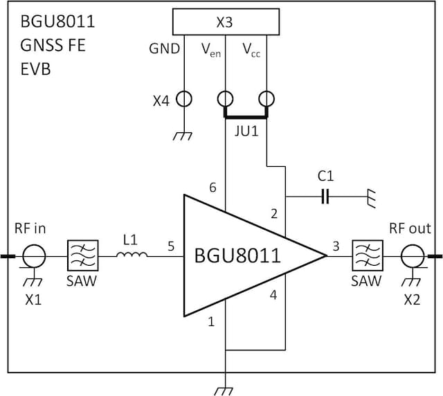
BGU8011 GNSS FE evaluation board.
Kit Contains
- BGU8011 FE evaluation board in ESD safe packing



