Application Note (3)
-
AN10319[AN10319]
-
UART to Bluetooth interfacing[AN10307]
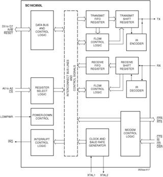
The SC16C850L is a 1.8 V, low power, single channel Universal Asynchronous Receiver and Transmitter (UART) used for serial data communications. Its principal function is to convert parallel data into serial data and vice versa. The UART can handle serial data rates up to 5 Mbit/s. The SC16C850L is functionally (software) compatible with the SC16C650B. SC16C850L can be programmed to operate in extended mode (see Section 6.2) where additional advanced UART features are available. The SC16C850L UART provides enhanced UART functions with 128-byte FIFOs, modem control interface, and IrDA encoder/decoder. On-board status registers provide the user with error indications and operational status. System interrupts and modem control features may be tailored by software to meet specific user requirements. An internal loopback capability allows on-board diagnostics.
The SC16C850LIBS with Intel (16 mode) or Motorola (68 mode) bus host interface operates at 1.8 V and is available in a very small (Micro-UART) HVQFN32 package.
The SC16C850LIET with Intel (16 mode) bus host interface operates at 1.8 V and is available in a very small TFBGA36 package.
|
|
|
|
|
|
|
|---|---|---|---|---|---|
|
|
|
|
|
|
|
|
|
|
|
|
|
|
|
|
|
|
|
|
|
|
|
|
|
|
|
|
|
|
|
|
|
|
|
|
|
|
|
|
|
|
|
|
|
|
|
|
|
|
|
|
|
|
|
|
|
|
|
|
|
|
|
|
|
|
|
|
|
|
Quick reference to our documentation types
5 documents
Compact List
Please wait while your secure files are loading.
Receive the full breakdown. See the product footprint and more in the eCad file.
Receive the full breakdown. See the product footprint and more in the eCad file.