Application Note (2)
-
UART to Bluetooth interfacing[AN10307]
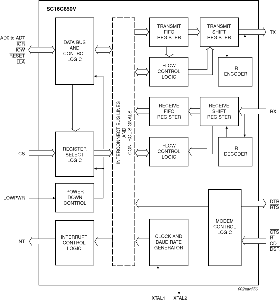
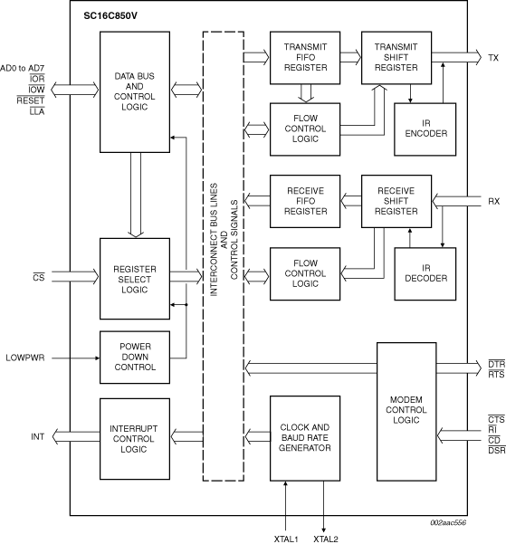
The SC16C850V is a 1.8 V, low power single channel Universal Asynchronous Receiver and Transmitter (UART) used for serial data communications. Its principal function is to convert parallel data into serial data and vice versa. The UART can handle serial data rates up to 5 Mbit/s. SC16C850V can be programmed to operate in extended mode where additional advanced UART features are available (see Section 6.2).The SC16C850V family UART provides enhanced UART functions with 128-byte FIFOs, modem control interface and IrDA encoder/decoder. On-board status registers provide the user with error indications and operational status. System interrupts and modem control features may be tailored by software to meet specific user requirements. An internal loopback capability allows on-board diagnostics. Independent programmable baud rate generators are provided to select transmit and receive baud rates.
The SC16C850V with Intel XScale processor VLIO interface operates at 1.8 V and is available in the HVQFN32 package.
|
|
|
|
|
|
|
|---|---|---|---|---|---|
|
|
|
|
|
|
|
|
|
|
|
|
|
|
|
|
|
|
|
|
|
|
|
|
|
|
|
|
|
|
|
|
|
|
|
|
|
|
|
|
|
|
|
|
|
|
|
|
|
|
|
|
|
|
|
|
|
|
|
|
|
|
|
|
|
|
|
|
|
|
Quick reference to our documentation types
5 documents
Compact List
Please wait while your secure files are loading.
Receive the full breakdown. See the product footprint and more in the eCad file.
Receive the full breakdown. See the product footprint and more in the eCad file.