Application Note (1)
-
AN10327[AN10327]
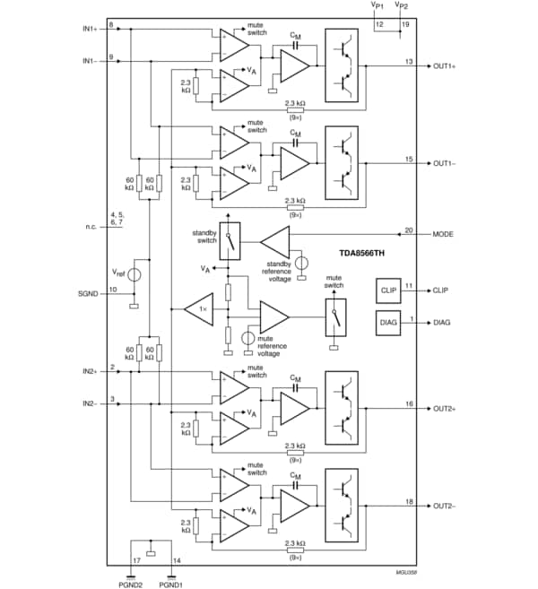
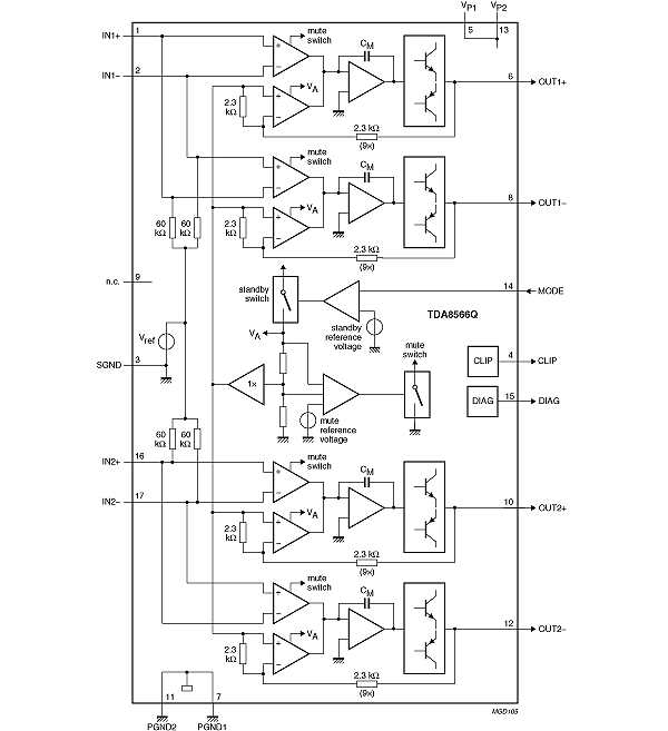
The TDA8566 is an integrated class-B output amplifier which is available in several packages. TDA8566TH is contained in a 20-lead small outline plastic package. The TDA8566TH1 is a 24-lead small outline plastic package which is pin compatible with the I²C-bus controlled amplifier TDA1566TH for one board layout. TDA8566Q is a 17-pin DIL-bent-SIL package.
The device contains 2 amplifiers in a Bridge-Tied Load (BTL) configuration. The output power is 2 x 25 W in a 4 Ω load or 2 x 40 W in a 2 Ω load. It has a differential input stage and 2 diagnostic outputs. The device is primarily developed for car radio applications.
|
|
|
|
|
|
|
|---|---|---|---|---|---|
|
|
|
|
|
|
|
|
|
|
|
|
|
|
|
|
|
|
|
|
|
|
|
|
|
|
|
|
|
|
|
|
|
|
|
|
|
|
|
|
|
|
|
|
|
|
|
|
|
|
|
|
|
|
|
|
|
|
|
|
|
|
|
|
|
|
|
|
|
|
Quick reference to our documentation types
4 documents
Compact List
Please wait while your secure files are loading.
Receive the full breakdown. See the product footprint and more in the eCad file.
Receive the full breakdown. See the product footprint and more in the eCad file.