Data Sheet (1)
-
2 x 6 W stereo power amplifier[TDA1517]
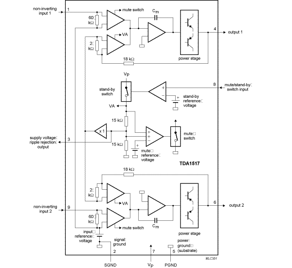
The TDA1517 is an integrated class-B dual output amplifier in a plastic single in-line medium power package with fin (SIL9MPF), a plastic rectangular-bent single in-line medium power package with fin (RBS9MPF) or a plastic heat-dissipating dual in-line package (HDIP18). The device is primarily developed for multi-media applications.
|
|
|
|
|
|
|
|---|---|---|---|---|---|
|
|
|
|
|
|
|
|
|
|
|
|
|
|
|
|
|
|
|
|
|
|
|
|
|
|
|
|
|
|
|
|
|
|
|
|
|
|
|
|
|
|
|
|
|
|
|
|
|
|
|
|
|
|
|
|
|
|
|
|
|
|
|
|
|
|
|
|
|
|
Quick reference to our documentation types
2 documents
Compact List
Please wait while your secure files are loading.
Receive the full breakdown. See the product footprint and more in the eCad file.
Receive the full breakdown. See the product footprint and more in the eCad file.