Data Sheet (1)
-
20-bit DDR SDRAM 2 : 1 MUX[CBTV4020]
This 20-bit bus switch is designed for 2.3 V to 2.7 V VDD operation and SSTL_2 select input levels.
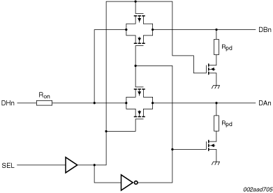
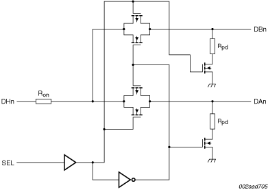
Each host port pin is multiplexed to one of two DIMM port pins. When the SEL pin is HIGH the A DIMM port is turned on and the B DIMM port is off. The ON-state connects the host port to the DIMM port through a 20 Ω nominal series resistance. When the port is off a high-impedance state exists between the Host and disabled DIMM. The DIMM port is terminated with a 100 Ω resistor to ground. When the SEL pin is LOW the B DIMM port is turned on and the A DIMM port is off.
The part incorporates a very low crosstalk design. It has a very low skew between outputs (< 50 ps) and low skew (< 50 ps) for rising and falling edges. The part has optimal performance in DDR data bus applications.
Each switch has been optimized for connection to 1-bank or 2-bank DIMMs.
The low internal RC time constant of the switch (20 Ω x 7 pF) allows data transfer to be made with minimal propagation delay.
The CBTV4020 is characterized for operation from 0 Cel to +85 Cel.
|
|
|
|
|
|
|
|---|---|---|---|---|---|
|
|
|
|
|
|
|
|
|
|
|
|
|
|
|
|
|
|
|
|
|
|
|
|
|
|
|
|
|
|
|
|
|
|
|
|
|
|
|
|
|
|
|
|
|
|
|
|
|
|
|
|
|
|
|
|
|
|
|
|
|
|
|
|
|
|
|
|
|
|
Quick reference to our documentation types
2 documents
Compact List
Please wait while your secure files are loading.
Receive the full breakdown. See the product footprint and more in the eCad file.
Receive the full breakdown. See the product footprint and more in the eCad file.