Design Files
Receive the full breakdown. See the product footprint and more in the eCad file.
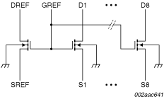
The Gunning Transceiver Logic - Transceiver Voltage Clamps (GTL-TVC) provide high-speed voltage translation with low ON-state resistance and minimal propagation delay. The GTL2003 provides eight NMOS pass transistors (Sn and Dn) with a common gate (GREF) and a reference transistor (SREF and DREF). The device allows bidirectional voltage translations between 0.8 V and 5.0 V without use of a direction pin. Voltage translation below 0.8 V can be achieved when properly biased. For more information, refer to application note AN11127.
When the Sn or Dn port is LOW, the clamp is in the ON-state and a low resistance connection exists between the Sn and Dn ports. Assuming the higher voltage is on the Dn port, when the Dn port is HIGH, the voltage on the Sn port is limited to the voltage set by the reference transistor (SREF). When the Sn port is HIGH, the Dn port is pulled to VDD1 by the pull-up resistors. This functionality allows a seamless translation between higher and lower voltages selected by the user, without the need for directional control.
All transistors have the same electrical characteristics and there is minimal deviation from one output to another in voltage or propagation delay. This is a benefit over discrete transistor voltage translation solutions, since the fabrication of the transistors is symmetrical. Because all transistors in the device are identical, SREF and DREF can be located on any of the other eight matched Sn/Dn transistors, allowing for easier board layout. The translator's transistors provide excellent ESD protection to lower voltage devices and at the same time protect less ESD-resistant devices.
|
|
|
|
|
|
|
|---|---|---|---|---|---|
|
|
|
|
|
|
|
|
|
|
|
|
|
|
|
|
|
|
|
|
|
|
|
|
|
|
|
|
|
|
|
|
|
|
|
|
|
|
|
|
|
|
|
|
|
|
|
|
|
|
|
|
|
|
|
|
|
|
|
|
|
|
|
|
|
|
|
|
|
|
Quick reference to our documentation types
9 documents
Compact List
Please wait while your secure files are loading.
Receive the full breakdown. See the product footprint and more in the eCad file.
Receive the full breakdown. See the product footprint and more in the eCad file.