Design Files
Receive the full breakdown. See the product footprint and more in the eCad file.
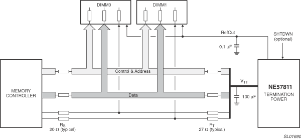
The NE57811 is designed to provide power for termination of a Double Data Rate (DDR) SDRAM memory bus. It significantly reduces parts count, board space, and overall system cost compared to previous solutions.
The NE57811 DDR termination regulator maintains an output voltage (DDR reference bus voltage) that is one-half that of the RAM supply voltage. It is capable of providing up to +-3.5 A for sustained periods. Overcurrent limiting protects the NE57811 from inrush currents at start-up, and overtemperature shutdown protects the device in extreme temperature situations.
The SPAK-5 (SOT756) package is thermally robust for flexibility of thermal design. Because the NE57811 is a linear regulator, no external inductors or switching FETs are necessary. Fast response to load changes reduces the need for output capacitors.
|
|
|
|
|
|
|
|---|---|---|---|---|---|
|
|
|
|
|
|
|
|
|
|
|
|
|
|
|
|
|
|
|
|
|
|
|
|
|
|
|
|
|
|
|
|
|
|
|
|
|
|
|
|
|
|
|
|
|
|
|
|
|
|
|
|
|
|
|
|
|
|
|
|
|
|
|
|
|
|
|
|
|
|
Quick reference to our documentation types
2 documents
Compact List
Please wait while your secure files are loading.
Receive the full breakdown. See the product footprint and more in the eCad file.
Receive the full breakdown. See the product footprint and more in the eCad file.