Data Sheet (1)
Package Information (1)
Supporting Information (2)
-
Footprint for wave soldering[HTQFP-HLQFP-LQFP-MSQFP-WAVE]
-
Footprint for wave soldering[SSOP-TSSOP-VSO-WAVE]
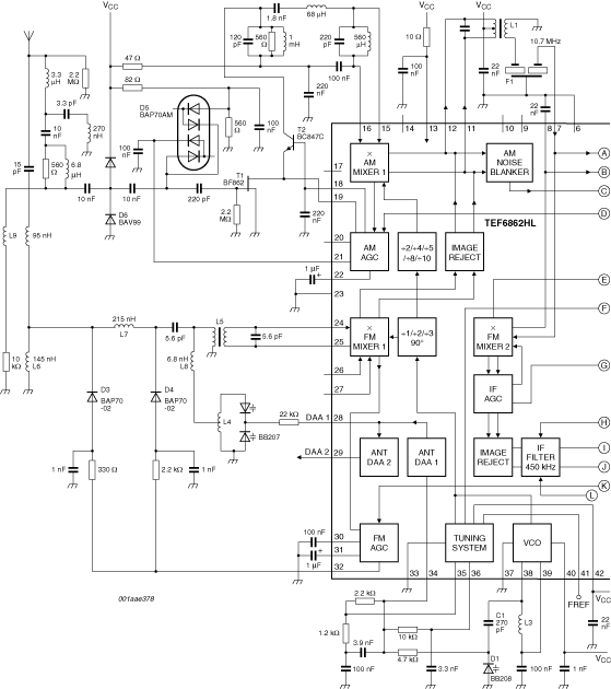
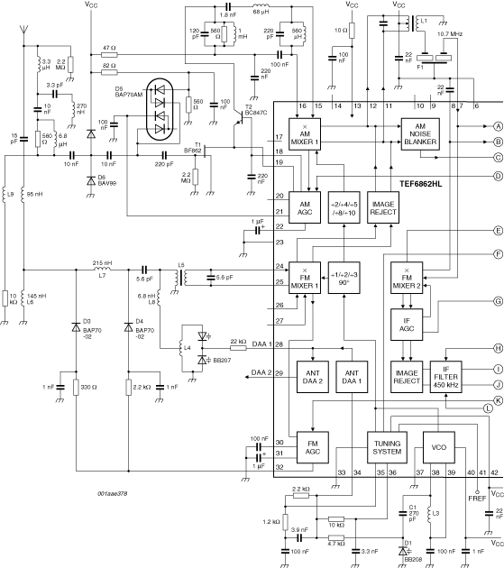
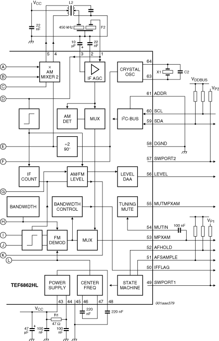
The TEF6862 is a single-chip car radio tuner for AM, FM and weather band reception providing AM double conversion for LW, MW and full range SW (11 m to 120 m bands) with IF1 = 10.7 MHz and IF2 = 450 kHz.
FM double conversion to IF1 = 10.7 MHz and IF2 = 450 kHz with integrated image rejection for both IF1 and IF2; integrated IF filter with variable bandwidth and automatic bandwidth control algorithm with flexibility via the I²C-bus; capable of US FM, Europe FM, Japan FM, East Europe FM and weather band reception; all FM bands can be selected using high injection LO or low injection LO in the FM mixer 1.
Tuning system including crystal oscillator, VCO, PLL synthesizer and state machine for timing uncritical control of search, preset change and AF check via microcontroller.
|
|
|
|
|
|
|
|---|---|---|---|---|---|
|
|
|
|
|
|
|
|
|
|
|
|
|
|
|
|
|
|
|
|
|
|
|
|
|
|
|
|
|
|
|
|
|
|
|
|
|
|
|
|
|
|
|
|
|
|
|
|
|
|
|
|
|
|
|
|
|
|
|
|
|
|
|
|
|
|
|
|
|
|
Quick reference to our documentation types
4 documents
Compact List
Please wait while your secure files are loading.
Receive the full breakdown. See the product footprint and more in the eCad file.
Receive the full breakdown. See the product footprint and more in the eCad file.