Design Files
Receive the full breakdown. See the product footprint and more in the eCad file.
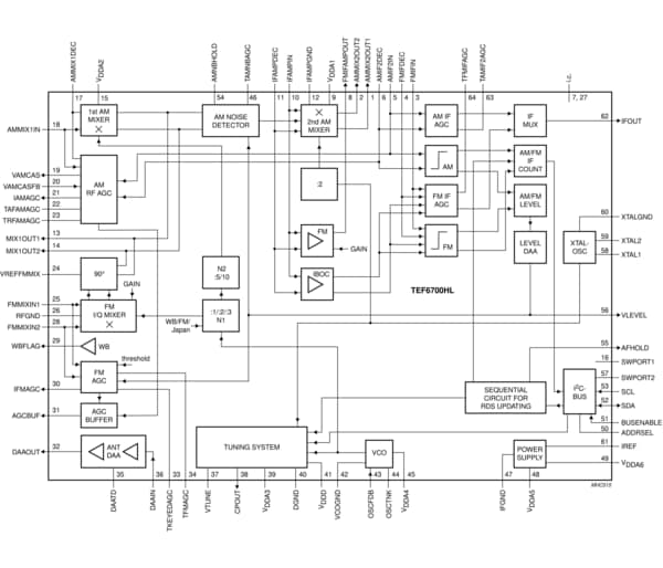
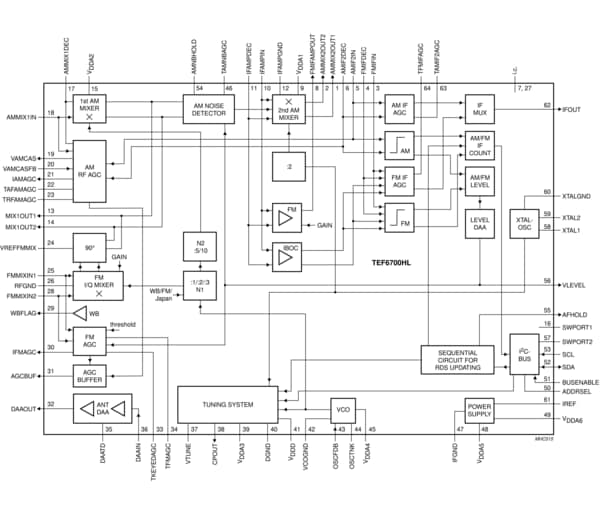
The TEF6700HL is a single chip car radio tuner for AM, FM standard, FM IBOC DAB and weather band providing gain controlled output of FM IF and AM IF2 for a car IF DSP IC (e.g. SAA7724H) including the following functions:
|
|
|
|
|
|
|
|---|---|---|---|---|---|
|
|
|
|
|
|
|
|
|
|
|
|
|
|
|
|
|
|
|
|
|
|
|
|
|
|
|
|
|
|
|
|
|
|
|
|
|
|
|
|
|
|
|
|
|
|
|
|
|
|
|
|
|
|
|
|
|
|
|
|
|
|
|
|
|
|
|
|
|
|
Quick reference to our documentation types
1 documents
Compact List
Please wait while your secure files are loading.
Receive the full breakdown. See the product footprint and more in the eCad file.
Receive the full breakdown. See the product footprint and more in the eCad file.