Data Sheet (1)
-
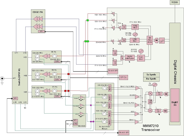
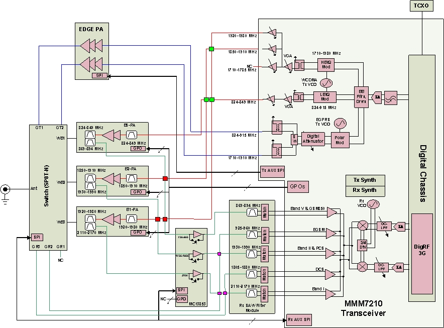
MMM7210 WCDMA/GSM/EDGE Transceiver[MMM7210]
The MMM7210B cellular transceiver covers five RX input and six TX output transmit and receive frequency bands. It features Our polar 2G GSM/EDGE and 3G W-CDMA modulation transmit architecture with direct modulation of the VCO by a fractional-N synthesizer. TX VCO is fully integrated. The receiver architecture features direct conversion: integrated VCO with fractional N synthesizer. It uses DigRF for baseband interface and comes in a 170-pin 9.25 mm x 7.65 mm land grid array (LGA).
Quick reference to our documentation types
Please wait while your secure files are loading.