Design Files
Receive the full breakdown. See the product footprint and more in the eCad file.
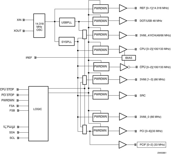
The PCK2023 is a clock synthesizer/driver for a Pentium IV and other similar processors.
The PCK2023 has three differential pair CPU current source outputs. There are ten PCI clock outputs running at 33 MHz and two 48 MHz clocks. There are six 3V66 outputs. Finally, there is one 3.3 V reference clock at 14.318 MHz. All clock outputs meet Intel?s drive strength, rise/fall times, jitter, accuracy, and skew requirements.
The part possesses a dedicated power-down input pin for power management control. This input is synchronized on-chip and ensures glitch-free output transitions.
|
|
|
|
|
|
|
|---|---|---|---|---|---|
|
|
|
|
|
|
|
|
|
|
|
|
|
|
|
|
|
|
|
|
|
|
|
|
|
|
|
|
|
|
|
|
|
|
|
|
|
|
|
|
|
|
|
|
|
|
|
|
|
|
|
|
|
|
|
|
|
|
|
|
|
|
|
|
|
|
|
|
|
|
Quick reference to our documentation types
3 documents
Compact List
Please wait while your secure files are loading.
Receive the full breakdown. See the product footprint and more in the eCad file.
Receive the full breakdown. See the product footprint and more in the eCad file.