Design Files
Receive the full breakdown. See the product footprint and more in the eCad file.
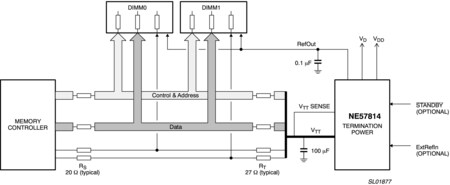
The NE57814 is designed to provide power for termination of a DDR memory bus. It significantly reduces parts count, board space, and overall system cost over previous switching solutions. The NE57814 has an independent power source pin (VD) for further reducing the operational power and a standby low-power mode for energy-sensitive portable applications.
The DDR terminator regulator provides a very accurate reference (RefOut) and termination voltage (VTT) which is one-half of the RAM supply voltage over wide range of current demand.
|
|
|
|
|
|
|
|---|---|---|---|---|---|
|
|
|
|
|
|
|
|
|
|
|
|
|
|
|
|
|
|
|
|
|
|
|
|
|
|
|
|
|
|
|
|
|
|
|
|
|
|
|
|
|
|
|
|
|
|
|
|
|
|
|
|
|
|
|
|
|
|
|
|
|
|
|
|
|
|
|
|
|
|
Quick reference to our documentation types
2 documents
Compact List
Please wait while your secure files are loading.
Receive the full breakdown. See the product footprint and more in the eCad file.
Receive the full breakdown. See the product footprint and more in the eCad file.