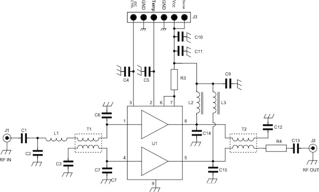
Demoboard for BGA3021, 1.2 GHz 16 dB gain wideband amplifier application

  • This page contains information on a product that is no longer manufactured (discontinued). Specifications and information herein are available for historical reference only.

Roll over image to zoom in

Product Details

Features

  • Evaluation of electrical DC and RF performance like IDC, S-Parameters, Distortion levels, P-1 dB, Noise Figure
  • PCB layout evaluation
  • Device Models and S-parameters

Support

What do you need help with?