Design Files
Receive the full breakdown. See the product footprint and more in the eCad file.
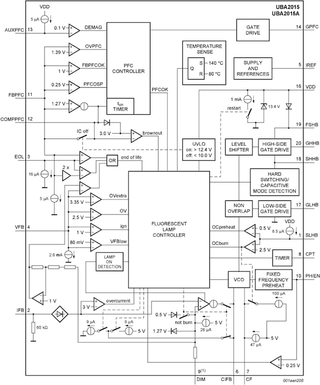
The UBA2015AP is a high voltage Integrated Circuit (IC) intended to drive fluorescent lamps with filaments such as Tube Lamps (TL) and Compact Fluorescent Lamps (CFL) in general lighting applications. The IC comprises a fluorescent lamp control module, half-bridge driver, built-in critical conduction mode Power Factor Correction (PFC) controller/driver and several protection mechanisms. The IC drives fluorescent lamp(s) using a half-bridge circuit made of two MOSFETs with a supply voltage of up to 600 V. The UBA2015AP is designed to be supplied by a start-up bleeder resistor and a dV/dt supply from the half-bridge circuit, or any other auxiliary supply derived from the half-bridge or the PFC. The supply current of the IC is low. An internal clamp limits the supply voltage.
|
|
|
|
|
|
|
|---|---|---|---|---|---|
|
|
|
|
|
|
|
|
|
|
|
|
|
|
|
|
|
|
|
|
|
|
|
|
|
|
|
|
|
|
|
|
|
|
|
|
|
|
|
|
|
|
|
|
|
|
|
|
|
|
|
|
|
|
|
|
|
|
|
|
|
|
|
|
|
|
|
|
|
|
Quick reference to our documentation types
6 documents
Compact List
Please wait while your secure files are loading.
Receive the full breakdown. See the product footprint and more in the eCad file.
Receive the full breakdown. See the product footprint and more in the eCad file.