Application Note (2)
-
PicoGate Logic footprints[AN10161]
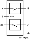
The NX3L2T66 is a dual low-ohmic single-pole single-throw analog switch. Each switch has two input/output terminals (nY and nZ) and an active HIGH enable input (nE). When pin nE is LOW, the analog switch is turned off.
Schmitt trigger action at the enable input (nE) makes the circuit tolerant to slower input rise and fall times. A low input voltage threshold allows pin nE to be driven by lower level logic signals without a significant increase in supply current ICC. This makes it possible for the NX3L2T66 to switch 4.3 V signals with a 1.8 V digital controller, eliminating the need for logic level translation.
The NX3L2T66 allows signals with amplitude up to VCC to be transmitted from nY to nZ; or from nZ to nY. Its low ON resistance (0.5 Ω) and flatness (0.13 Ω) ensures minimal attenuation and distortion of transmitted signals.
|
|
|
|
|
|
|
|---|---|---|---|---|---|
|
|
|
|
|
|
|
|
|
|
|
|
|
|
|
|
|
|
|
|
|
|
|
|
|
|
|
|
|
|
|
|
|
|
|
|
|
|
|
|
|
|
|
|
|
|
|
|
|
|
|
|
|
|
|
|
|
|
|
|
|
|
|
|
|
|
|
|
|
|
Quick reference to our documentation types
5 documents
Compact List
Please wait while your secure files are loading.
Receive the full breakdown. See the product footprint and more in the eCad file.
Receive the full breakdown. See the product footprint and more in the eCad file.