Application Note (1)
-
AN10798[AN10798]
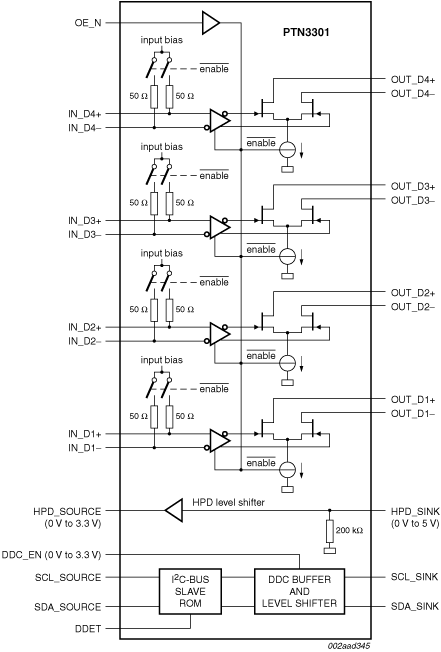
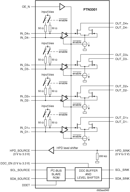
To support the new, high-speed motherboard graphics chipsets from Intel, AMD/ATI, nVidia, and others, these devices provide electrical-level translation from PCIe and DisplayPort signals to the current-mode outputs required to drive DVI and HDMI displays.
|
|
|
|
|
|
|
|---|---|---|---|---|---|
|
|
|
|
|
|
|
|
|
|
|
|
|
|
|
|
|
|
|
|
|
|
|
|
|
|
|
|
|
|
|
|
|
|
|
|
|
|
|
|
|
|
|
|
|
|
|
|
|
|
|
|
|
|
|
|
|
|
|
|
|
|
|
|
|
|
|
|
|
|
Quick reference to our documentation types
2 documents
Compact List
Please wait while your secure files are loading.
Receive the full breakdown. See the product footprint and more in the eCad file.
Receive the full breakdown. See the product footprint and more in the eCad file.