Data Sheet (1)
Package Information (1)
Packing Information (1)
Supporting Information (1)
-
Footprint for Wave Soldering[SO-SOJ-WAVE]
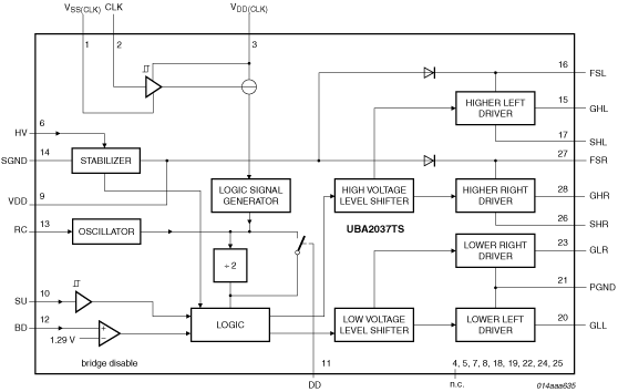
The UBA2037T is a high voltage monolithic integrated circuit (IC) manufactured in a High Voltage Silicon On Insulator (HVSOI) process. This circuit is designed for driving MOSFETs in a full bridge configuration. In addition, it features a disable function, an internal adjustable oscillator and an external clock input function with a high-voltage level shifter for driving the bridge. To guarantee an accurate 50% duty cycle, the oscillator signal can be passed through a divider before being fed to the output drivers. The UBA2037TS is especially suitable for High Intensity Discharge (HID) lamp drivers for projectors and general lighting applications.
Quick reference to our documentation types
4 documents
Compact List
Please wait while your secure files are loading.
Receive the full breakdown. See the product footprint and more in the eCad file.
Receive the full breakdown. See the product footprint and more in the eCad file.