Data Sheet (1)
-
Half-bridge driver IC[UBA2080_UBA2081]
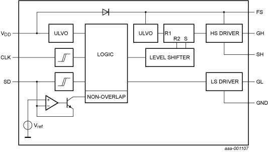
The UBA2081 is a high voltage monolithic integrated circuit made using the latch-up free Silicon-On-Insulator (SOI) process. The circuit is designed for driving MOSFETs in a half-bridge configuration.
|
|
|
|
|
|
|
|---|---|---|---|---|---|
|
|
|
|
|
|
|
|
|
|
|
|
|
|
|
|
|
|
|
|
|
|
|
|
|
|
|
|
|
|
|
|
|
|
|
|
|
|
|
|
|
|
|
|
|
|
|
|
|
|
|
|
|
|
|
|
|
|
|
|
|
|
|
|
|
|
|
|
|
|
Quick reference to our documentation types
3 documents
Compact List
Please wait while your secure files are loading.
Receive the full breakdown. See the product footprint and more in the eCad file.
Receive the full breakdown. See the product footprint and more in the eCad file.