High-Efficiency Class-D Audio Amplifier with Speaker-as-Microphone

  • This page contains information on a product that is no longer manufactured (discontinued). Specifications and information herein are available for historical reference only.

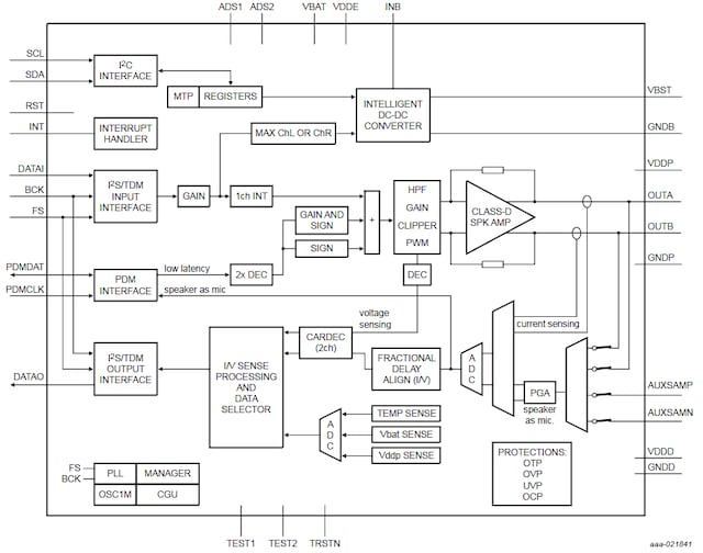
Roll over image to zoom in

Product Details

Features

  • High output power: 5.1 W (average) into 8 W at 4.0 V supply voltage (THD = 1 %)
  • Supports handset (16 Ω or 32 Ω) and hands-free (4 Ω or 8 Ω) speaker configurations
  • High-efficiency, low-power dissipation, and low-noise speaker driver
  • Adaptive DC-to-DC converter increases the supply voltage smoothly when switching between fixed boost and adaptive boost modes, preventing large battery supply spikes and limiting quiescent power consumption
  • Wide supply voltage range (fully operational from 2.7 V to 5.5 V)
  • Very low noise output <20×mV (with null data input at Fs = 48 kHz)
  • Low battery current consumption <130 mA (Po = 380 mW, average music power)
  • I²C-bus control interface (400 kHz)
  • Speaker current and voltage monitoring (via the I2S-bus) for Acoustic Echo Cancellation (AEC) at the host
  • 16 kHz /44.1 kHz/48 kHz sample frequencies supported
  • Ultrasonic support (limited) via TDM/I2S running at 96 kHz/192 kHz
  • Configurable full-duplex 4-wire TDM/I2S input interface supporting up to 16 slots
  • Low-latency input path supporting side tone mixing via dedicated PDM input interface
  • Speaker-as-Microphone feedback path on dedicated PDM output interface or TDM interface
  • Programmable interrupt control via a dedicated interrupt pin
  • Low RF susceptibility
  • Thermal foldback and overtemperature protection
  • 15 kV system-level ESD protection without external components on amplifier output

Buy/Parametrics










































































































Documentation

Quick reference to our documentation types

1 documents

Compact List

Design Files

Support

What do you need help with?