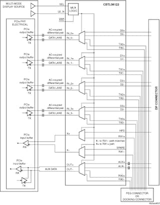
High-performance DisplayPort/PCIe Gen2 hex display multiplexer

  • This page contains information on a product that is no longer manufactured (discontinued). Specifications and information herein are available for historical reference only.

Roll over image to zoom in

Buy/Parametrics










































































































Documentation

Quick reference to our documentation types

3 documents

Compact List

Design Files

Support

What do you need help with?