Data Sheet (1)
Package Information (1)
Packing Information (1)
Supporting Information (1)
-
Footprint for wave soldering[SSOP-TSSOP-VSO-WAVE]
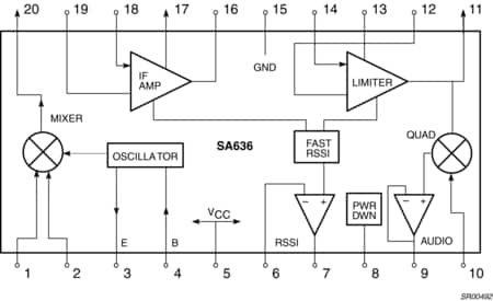
The SA58641 is a high performance monolithic FM IF system with high-speed RSSI incorporating a mixer/oscillator, two limiting intermediate frequency amplifiers, quadrature detector, logarithmic Received Signal Strength Indicator (RSSI), voltage regulator, wideband data output and fast RSSI op amps. The SA58641 is available in 20-lead SSOP (Shrink Small Outline Package).
The SA58641 was designed for high bandwidth portable communication applications and will function down to 3 V. The RF section is similar to the famous SA605. The data output has a minimum bandwidth of 600 kHz. This is designed to demodulate wideband data. The RSSI output is amplified. The RSSI output has access to the feedback pin. This enables the designer to adjust the level of the outputs or add filtering.
SA58641 incorporates a power-down mode which powers down the device when pin 8 (POWER_DOWN_CTRL) is LOW. Power-down logic levels are CMOS and TTL compatible with high input impedance.
|
|
|
|
|
|
|
|---|---|---|---|---|---|
|
|
|
|
|
|
|
|
|
|
|
|
|
|
|
|
|
|
|
|
|
|
|
|
|
|
|
|
|
|
|
|
|
|
|
|
|
|
|
|
|
|
|
|
|
|
|
|
|
|
|
|
|
|
|
|
|
|
|
|
|
|
|
|
|
|
|
|
|
|
Quick reference to our documentation types
4 documents
Compact List
Please wait while your secure files are loading.
Receive the full breakdown. See the product footprint and more in the eCad file.
Receive the full breakdown. See the product footprint and more in the eCad file.