Design Files
Receive the full breakdown. See the product footprint and more in the eCad file.
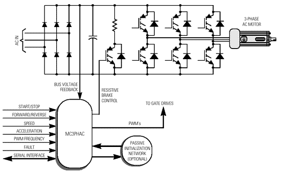
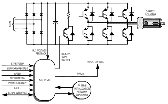
The MC3PHAC is a high-performance monolithic intelligent motor controller designed specifically to meet the requirements for cost-effective, variable-speed, three-phase AC motor control systems. The device is adaptable and configurable based on its environment. It contains all of the active functions required to implement the control portion of an open loop, three-phase AC motor drive.
One of the aspects of this device is that although it is adaptable and configurable based on its environment, it does not require any software development. This makes the MC3PHAC a good fit for customer applications requiring AC motor control but with limited or no software resources available.
Quick reference to our documentation types
2 documents
Compact List
Please wait while your secure files are loading.
Receive the full breakdown. See the product footprint and more in the eCad file.
Receive the full breakdown. See the product footprint and more in the eCad file.
Quick reference to our software types.
2 software files
Note: For better experience, software downloads are recommended on desktop.
Please wait while your secure files are loading.