Data Sheet (1)
Package Information (1)
Supporting Information (1)
-
Footprint for reflow soldering[SO-SOJ-REFLOW]
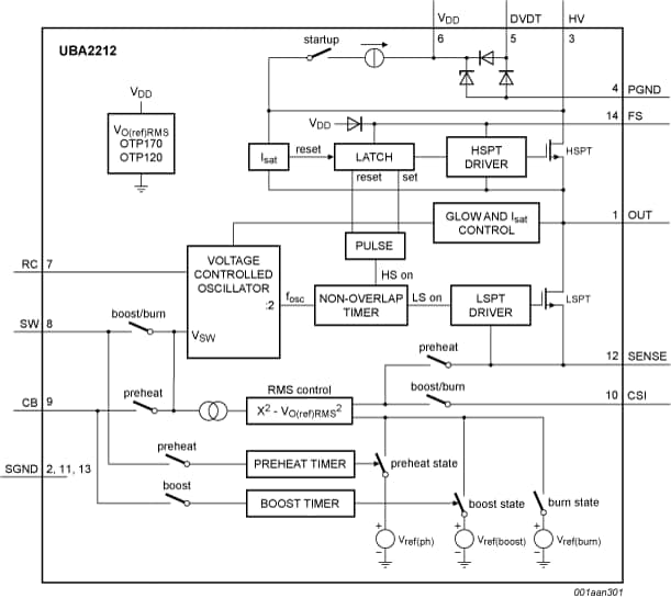
The UBA2212 family of integrated circuits are a range of high voltage monolithic ICs for driving Compact Fluorescent Lamps (CFL) in half-bridge configurations. The family is specifically designed to provide easy integration of lamp loads across a range of burner power and mains voltages.
|
|
|
|
|
|
|
|---|---|---|---|---|---|
|
|
|
|
|
|
|
|
|
|
|
|
|
|
|
|
|
|
|
|
|
|
|
|
|
|
|
|
|
|
|
|
|
|
|
|
|
|
|
|
|
|
|
|
|
|
|
|
|
|
|
|
|
|
|
|
|
|
|
|
|
|
|
|
|
|
|
|
|
|
Quick reference to our documentation types
4 documents
Compact List
Please wait while your secure files are loading.
Receive the full breakdown. See the product footprint and more in the eCad file.
Receive the full breakdown. See the product footprint and more in the eCad file.