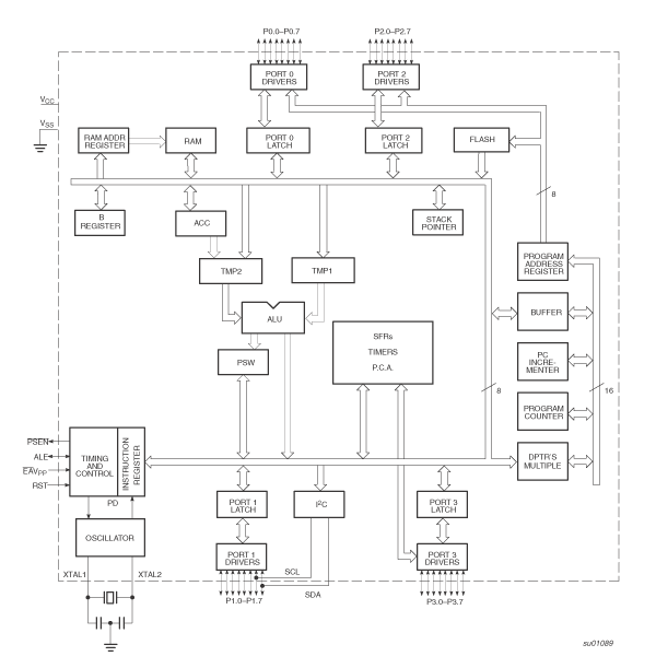
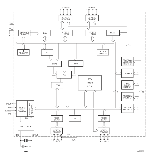
Application Note (1)
Data Sheet (1)
Errata (4)
-
P89C66x Errata sheet[ES_P89C66X_091702]
-
P89C660, P89C662, P89C664, P89C668 Errata sheet[ES_89C66X_02_091702]
-
P89C66x Errata sheet[ES_P89C66X_062402]
-
Errata sheet P89C66x[ES_89C66X_01_110101]
Package Information (1)
-
plastic leaded chip carrier; 44 leads[SOT187-2]
Supporting Information (1)
-
Footprint for wave soldering[PLCC-WAVE]
Training Presentation (1)
-
DesignCon 2003 TecForum I²C-Bus Overview[DESIGN_CON_2003_TECFORUM_I2C_B_1]



