Application Note (1)
Brochure (1)
Data Sheet (1)
Package Information (1)
Supporting Information (1)
-
Footprint for Wave Soldering[SO-SOJ-WAVE]
User Guide (2)
-
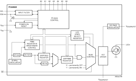
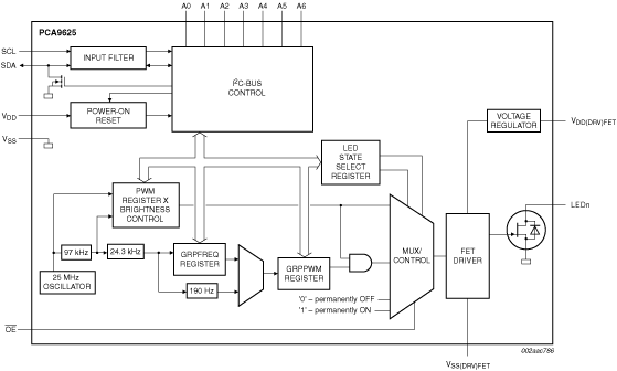
UM10317[UM10317]
Archived content is no longer updated and is made available for historical reference only.
|
|
|
|
|
|
|
|---|---|---|---|---|---|
|
|
|
|
|
|
|
|
|
|
|
|
|
|
|
|
|
|
|
|
|
|
|
|
|
|
|
|
|
|
|
|
|
|
|
|
|
|
|
|
|
|
|
|
|
|
|
|
|
|
|
|
|
|
|
|
|
|
|
|
|
|
|
|
|
|
|
|
|
|
Quick reference to our documentation types
7 documents
Compact List
Please wait while your secure files are loading.
Receive the full breakdown. See the product footprint and more in the eCad file.
Receive the full breakdown. See the product footprint and more in the eCad file.