Application Note (2)
Data Sheet (1)
Supporting Information (1)
-
Footprint for Wave Soldering[SO-SOJ-WAVE]
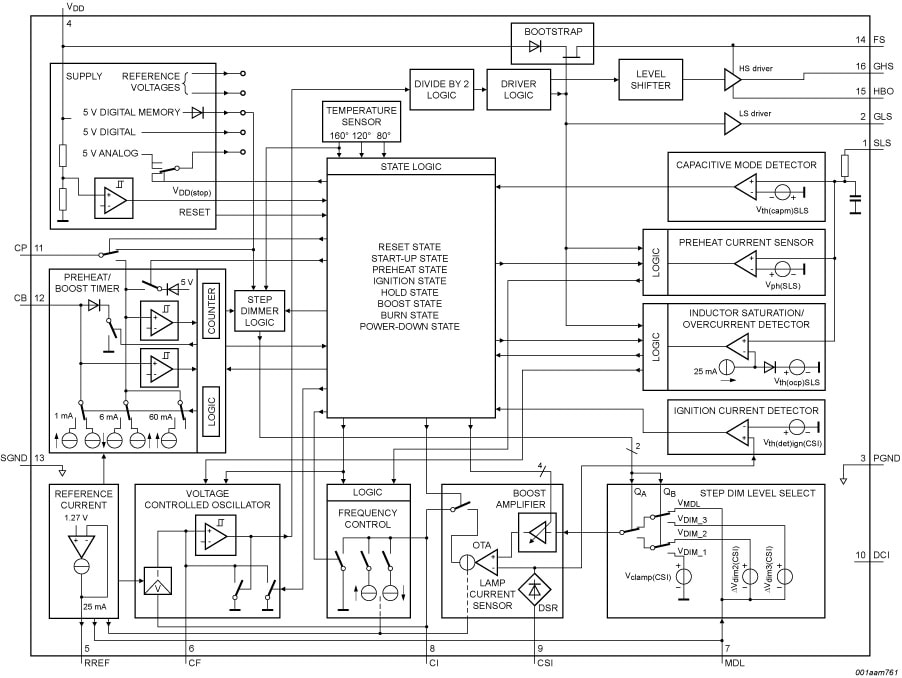
The UBA20260 is a high-voltage integrated circuit designed to control high power self-ballasted Compact Fluorescent Lamp (CFL) lighting applications. The UBA20260 is a controller circuit with advanced features for step dimming and a lamp current controlled boost feature for boosting cold (amalgam) CFLs. The controller contains a half-bridge drive function for CFLs, a high-voltage level-shift circuit with integrated bootstrap diode, an oscillator function, a current control function for preheat and burn, a timer function and protection circuits. The UBA20260 is supplied using the dV/dt current charge supply circuit from the half-bridge circuit.
|
|
|
|
|
|
|
|---|---|---|---|---|---|
|
|
|
|
|
|
|
|
|
|
|
|
|
|
|
|
|
|
|
|
|
|
|
|
|
|
|
|
|
|
|
|
|
|
|
|
|
|
|
|
|
|
|
|
|
|
|
|
|
|
|
|
|
|
|
|
|
|
|
|
|
|
|
|
|
|
|
|
|
|
Quick reference to our documentation types
5 documents
Compact List
Please wait while your secure files are loading.
Receive the full breakdown. See the product footprint and more in the eCad file.
Receive the full breakdown. See the product footprint and more in the eCad file.