Compact List
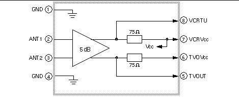
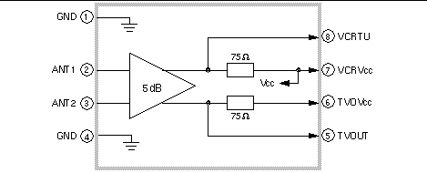
The MC44BC380 is an Ultra High Frequency (UHF) and Very High Frequency (VHF) antenna booster/ splitter integrated circuit (IC).
The MC44BC380 boosts the antenna signal, then splits the signal into two 75-ohm outputs for the TV and the following auxiliary outputs:
The STB or VCR RF output is added to the boosted received antenna signal. The MC44BC380 is available in an 8-pin (SO8) package.
Quick reference to our documentation types
2 documents
Compact List
Please wait while your secure files are loading.