WLAN LNA + Switch

  • This page contains information on a product that is no longer manufactured (discontinued). Specifications and information herein are available for historical reference only.

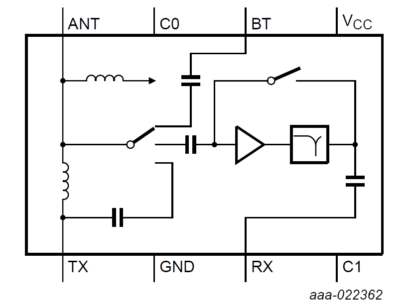
Block Diagram

BGS8424 Functional diagram

BGS8424 Functional diagram

Features

  • Covers full ISM low band 2400 MHz to 2500 MHz
  • Noise figure = 2 dB
  • Gain 15.7 dB
  • High input 1 dB compression point Pi(1dB) of -4.5 dBm
  • High in of band IP3i of 6 dBm
  • Supply voltage 2.7 V to 5.25 V
  • Bypass mode current consumption of 4 μA at a supply voltage of 3.6 V
  • Optimized performance at low supply current of 8.4 mA
  • Integrated concurrent 5 GHz notch filter
  • 4 modes of operation (high gain receive, bypass receive, transmit, and Bluetooth modes)
  • Integrated matching for input and output
  • Requires only one supply decoupling capacitor
  • ESD protection on all pins (HBM > 2 kV)
  • Small 8-pin leadless package 1.5 mm × 1.5 mm × 0.32 mm; 0.4 mm pitch

Buy/Parametrics










































































































Documentation

Quick reference to our documentation types

1 documents

Compact List

Design Files

Support

What do you need help with?