
OM7693
No Longer Manufactured
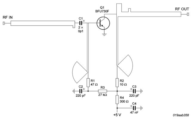
Second stage Ku band LNA using BFU730F in a LNB satellite application.
Kit Contains
- BFU730F evaluation board in ESD safe packing



