Application Note (1)
-
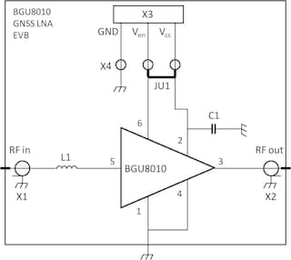
BGU8010 GNSS LNA evaluation board[AN11336]
The BGU8010 is a Low Noise Amplifier (LNA) for GNSS receiver applications, available in a small plastic 6-pin extremely thin leadless package. The BGU8010 requires one external matching inductor and one external decoupling capacitor.
The BGU8010 adapts itself to the changing environment resulting from co-habitation of different radio systems in modern cellular handsets. It has been designed for low power consumption and optimal performance when jamming signals from co-existing cellular transmitters are present. At low jamming power levels it delivers 16.1 dB gain at a noise figure of 0.85 dB. During high jamming power levels, resulting for example from a cellular transmit burst, it temporarily increases its bias current to improve sensitivity.

Quick reference to our documentation types
3 documents
Compact List
Please wait while your secure files are loading.
1 design file
Receive the full breakdown. See the product footprint and more in the eCad file.
Please wait while your secure files are loading.