Compact List
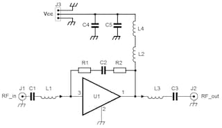
The BGA3018 MMIC is a wideband amplifier with internal biasing. It is designed specifically for high linearity CATV line extenders and drop amplifiers over a frequency range of 5 MHz to 1006 MHz. The LNA is housed in a lead free 3-pin SOT89 package.

Quick reference to our documentation types
7 documents
Compact List
Please wait while your secure files are loading.