H-Bridge Gate Driver IC

  • This page contains information on a product that is no longer manufactured (discontinued). Specifications and information herein are available for historical reference only.

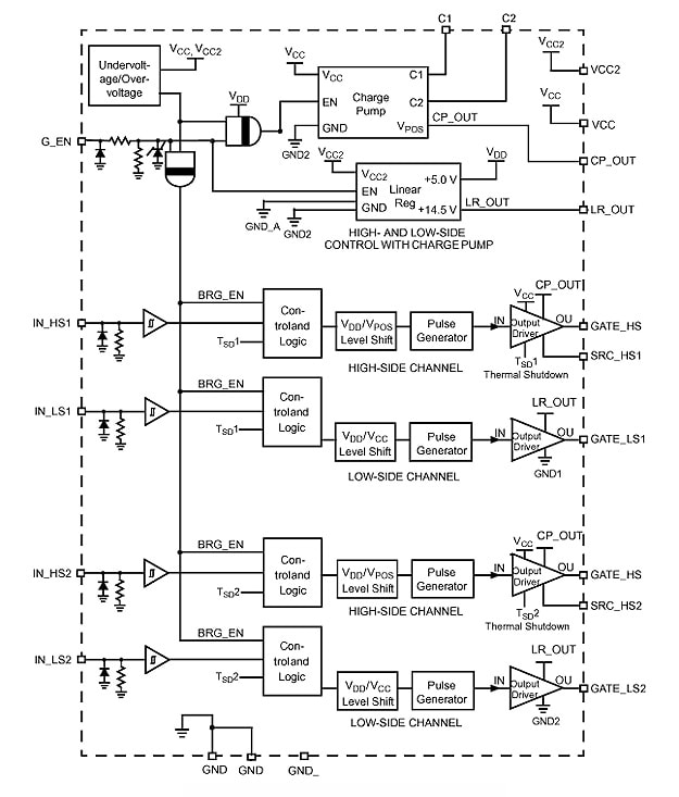
Block Diagram

H-Bridge Gate Driver IC

NXP<sup>&#174;</sup> MC33883 Internal Block Diagram

Features

Key Features

  • VCC operating voltage range from 5.5 V up to 55 V
  • VCC2 operating voltage range from 5.5 V up to 28 V
  • CMOS / LSTTL compatible I / O
  • 1 A peak gate driver current
  • Built-in high side charge pump
  • Under-voltage lockout (UVLO)
  • Over-voltage lockout (OVLO)
  • Global enable with <10 μA Sleep mode
  • Supports PWM up to 100 kHz
  • Parallel interface and input control
  • 4 channels
  • Load current (IL) 1 A (Typ)
  • Drain-to-source on resistance 1000 mOhm RDS(ON) (Typ)

Buy/Parametrics










































































































Documentation

Quick reference to our documentation types

5 documents

Compact List

Application Note (2)
Data Sheet (1)
Selector Guide (2)

Design Files

Support