Dual H-Bridge, Motor Driver, 2-8.6 V, 1.4 A, 200 kHz

  • This page contains information on a product that is no longer manufactured (discontinued). Specifications and information herein are available for historical reference only.

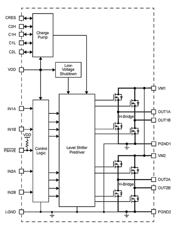
Block Diagram

MPC17531

MPC17531

Features

General

  • Low Total RDS(ON) 0.8 Ω (Typ), 1.2 Ω (Max) @ 25°C
  • Output Current 0.7 A (DC)
  • Shoot-Through Current Protection Circuit
  • PWM Control Input Frequency up to 200 kHz
  • Built-In Charge Pump Circuit
  • Low Power Consumption
  • Undervoltage Detection and Shutdown Circuit
  • Power Save Mode with Current Draw ≤ 2.0 µA
  • Pb-Free Packaging Designated by Suffix Codes EV and EP
  • Parallel interface and input control
  • Ambient operating temperature -20 °C (Min), 65 °C (Max)
  • Load supply voltage 2 V (Min), 8.6 V (Max)

Buy/Parametrics










































































































Documentation

Quick reference to our documentation types

5 documents

Compact List

Application Note (3)
Data Sheet (1)
Product Change Notice (1)

Design Files

Software

Quick reference to our software types.

2 software files

Note: For better experience, software downloads are recommended on desktop.

Support

What do you need help with?