Application Note (1)
Data Sheet (1)
Package Information (1)
Packing Information (1)
Supporting Information (1)
-
Reflow Soldering Profile[REFLOW_SOLDERING_PROFILE]
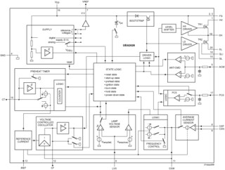
The UBA2028 is a high voltage power IC that drives and controls electronically ballasted Compact Fluorescent Lamps (CFLs). The IC includes a Metal-Oxide-Semiconductor Transistor (MOST) half-bridge power circuit, a dimming function, a high voltage level shift circuit, an oscillator function, a lamp voltage monitor, a current control function, a timer function and various protections.
|
|
|
|
|
|
|
|---|---|---|---|---|---|
|
|
|
|
|
|
|
|
|
|
|
|
|
|
|
|
|
|
|
|
|
|
|
|
|
|
|
|
|
|
|
|
|
|
|
|
|
|
|
|
|
|
|
|
|
|
|
|
|
|
|
|
|
|
|
|
|
|
|
|
|
|
|
|
|
|
|
|
|
|
Quick reference to our documentation types
7 documents
Compact List
Please wait while your secure files are loading.
Receive the full breakdown. See the product footprint and more in the eCad file.
Receive the full breakdown. See the product footprint and more in the eCad file.