Data Sheet (1)
-
Integrated car radio[TEF6902A]
Package Information (1)
Supporting Information (1)
-
Footprint for wave soldering[QFP-SQFP-TQFP-WAVE]
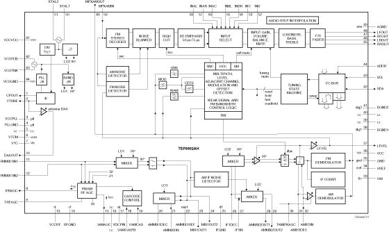
The TEF6902A is a single-chip car radio integrated circuit with FM/AM tuner, stereo decoder, weak signal processing and audio processing.
FM tuner with double conversion to IF1 = 10.7 MHz and IF2 = 450 kHz with integrated image rejection for both IF1 and IF2; integrated channel filter with variable bandwidth control; capable of US FM, Europe FM, Japan FM and Eastern Europe FM. AM tuner with double conversion to IF1 = 10.7 MHz and IF2 = 450 kHz; capable of Long Wave (LW), Medium Wave (MW) and full range Short Wave (SW) (11 m to 120 m bands).
Multiplex (MPX) stereo decoder, ignition noise blanker and extensive weak signal processing.
Audio processing with flexible source selection, volume, balance, fader, input gain control and inaudible tuning mute. Integrated audio filters for bass and treble and loudness control function.
The device can be controlled via the fast-mode I²C-bus (400 kHz) and includes autonomous tuning functions for easy control without microcontroller timing. No manual alignments are required.
|
|
|
|
|
|
|
|---|---|---|---|---|---|
|
|
|
|
|
|
|
|
|
|
|
|
|
|
|
|
|
|
|
|
|
|
|
|
|
|
|
|
|
|
|
|
|
|
|
|
|
|
|
|
|
|
|
|
|
|
|
|
|
|
|
|
|
|
|
|
|
|
|
|
|
|
|
|
|
|
|
|
|
|
Quick reference to our documentation types
3 documents
Compact List
Please wait while your secure files are loading.
Receive the full breakdown. See the product footprint and more in the eCad file.
Receive the full breakdown. See the product footprint and more in the eCad file.