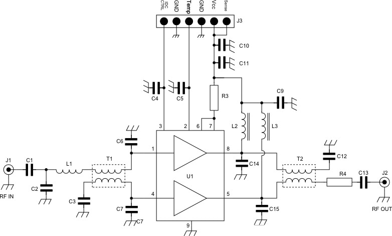
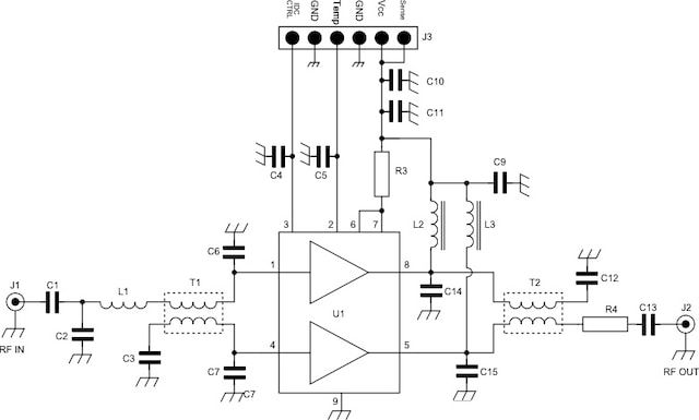
OM7889
Active
Demoboard for BGA3022, 1.2 GHz 18 dB gain wideband amplifier application.



