Compact List
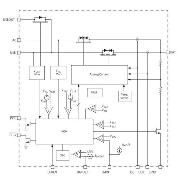
The 34676 is a dual 28 V input-voltage and fully-integrated single-cell Li-Ion battery charger targeting smart handheld applications. One of the inputs is optimized for charging with a USB port and the second is optimized for an AC/DC adapter power source. The charger has two 28 V power devices to eliminate the need for any external power-source-selection and input over-voltage-protection circuitry. Each of the power devices independently controls the charge current from the input and behaves as an independent charger. Only one of the two chargers operates at a time.
The AC-charger current and the USB charger current are programmable up to 1.2 A and 400 mA with an external resistor respectively. The voltage across the two external resistors is also used to monitor the actual charge current through each charger, respectively. The EOC current of both chargers is the same and programmable by an external resistor.
The 4.85 V regulators can be used to power a sub-system directly. They have a 5% constant-current accuracy over -40 °C to 85 °C, and 0.7% constant-voltage accuracy over -40 °C to 85 °C. A charge-current thermal foldback feature limits the charge current when the IC internal temperature rises to a pre-set threshold.
Quick reference to our documentation types
1 documents
Compact List
Please wait while your secure files are loading.