Application Note (2)
-
AN96007[AN96007]
Data Sheet (1)
Package Information (1)
Packing Information (1)
Supporting Information (1)
-
Footprint for reflow soldering[SO-SOJ-REFLOW]
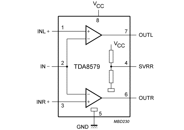
The TDA8579T is a two channel differential amplifier with 0 dB gain and low distortion. The device has been primarily developed for car radio applications where long connections between signal sources and amplifiers (or boosters) are necessary and where ground noise has to be eliminated. The device is intended to be used to receive line inputs in audio applications that require a high level of common-mode rejection. The device is contained in an 8-pin Small Outline (SO) package.

|
|
|
|
|
|
|
|---|---|---|---|---|---|
|
|
|
|
|
|
|
|
|
|
|
|
|
|
|
|
|
|
|
|
|
|
|
|
|
|
|
|
|
|
|
|
|
|
|
|
|
|
|
|
|
|
|
|
|
|
|
|
|
|
|
|
|
|
|
|
|
|
|
|
|
|
|
|
|
|
|
|
|
|
Quick reference to our documentation types
6 documents
Compact List
Please wait while your secure files are loading.
Receive the full breakdown. See the product footprint and more in the eCad file.
Receive the full breakdown. See the product footprint and more in the eCad file.