High-Speed CAN Transceiver for Industrial Applications
Compact List
MC33901 is not recommended for new designs. NXP® recommends TJA1044G be used in any new designs. Please see below the Comparison Table for specifications in replacement part numbers.
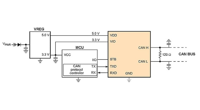
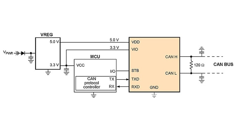
The MC33901 single CAN high-speed physical layer is a cost-effective transceiver designed for standard CAN high-speed applications, used to convert digital protocol information into analog CAN communication. Featuring:
Select a section:
| Part Number | Replacement Part Number |
|---|---|
| MC33901WEF | TJA1044GT/3 |
| MC33901WNEF | TJA1044GT |
| MC33901SEF | TJA1044GT/3 |
| MC33901SNEF | TJA1044GT |
| MC34901WEF | TJA1044GT/3 |
| MC34901WNEF | TJA1044GT |
| MC34901SEF | TJA1044GT/3 |
| MC34901SNEF | TJA1044GT |
| MC33CM0902WEF | TJA1059TK |
| MC34CM0902WEF | TJA1059TK |
Quick reference to our documentation types
2 documents
Compact List
Please wait while your secure files are loading.