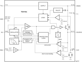
The TEA152x family STARplug is a Switched Mode Power Supply (SMPS) controller IC that operates directly from the rectified universal mains. It is implemented in the high-voltage EZ-HV SOI process, combined with a low-voltage Bipolar Complementary Metal-Oxide Semiconductor (BiCMOS) process. The device includes a high-voltage power switch and a circuit for start-up directly from the rectified mains voltage. A dedicated circuit for valley switching is built in, which makes a very efficient slim-line electronic power-plug concept possible. In its most basic version of application, the TEA152x family acts as a voltage source. Here, no additional secondary electronics are required. A combined voltage and current source can be realized with minimum costs for external components