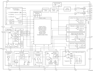
The UBA20262 is a high voltage power IC intended to drive and control high power self-ballasted Compact Fluorescent Lamps (CFL) for 230 V mains. The UBA20262 includes a half-bridge power circuit made up of two NMOST power FETs with advanced features for step dimming and lamp current controlled boost feature for boosting cold (amalgam) CFL lamps. The controller contains a half-bridge drive function, including a high voltage level-shift circuit with integrated bootstrap diode, an oscillator function, a current control function both for preheat and burn, timer function and protection circuits. The UBA20262 is supplied via a high efficient dV/dt supply circuit.