
OM7805
No Longer Manufactured
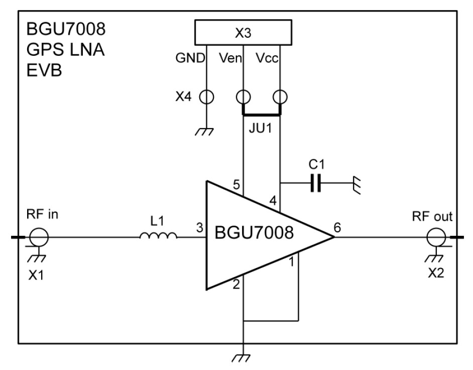
GPS/GNSS low-noise amplifier evaluation board using BGU7008.
Kit Contains
- BGU7008 LNA evaluation board in ESD safe packing



