SiGe:C Low Noise Amplifier MMIC for GPS, GLONASS, Galileo and Compass

Click image to open expanded view

Product Details

Features

  • AEC-Q100 qualified
  • Covers full GNSS L1 band, from 1559 MHz to 1610 MHz
  • Noise figure (NF) = 0.85 dB and gain (Gp) = 16.5 dB
  • High input 1 dB compression point Pi (1dB) of ‒11 dBm
  • High out of band IP3i of 9 dBm
  • Supply voltage 1.5 V to 2.85 V
  • Power-down mode current consumption < 1 uA
  • Optimized performance at low supply current of 4.5 mA
  • Integrated matching for the output
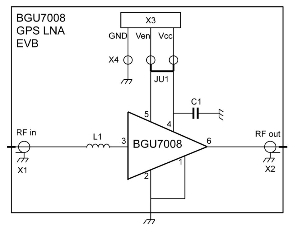
  • Requires only one input matching inductor and one supply decoupling capacitor
  • Input and output DC decoupled
  • ESD protection on all pins (HBM > 2 kV)
  • Integrated temperature stabilized bias for easy design
  • Small 6-pin leadless package 1 mm × 1.45 mm × 0.5 mm
  • 110 GHz transit frequency - SiGe:C technology
  • AEC-Q100 qualified
  • Covers full GNSS L1 band, from 1559 MHz to 1610 MHz
  • Noise figure (NF) = 0.85 dB and gain (Gp) = 16.5 dB
  • High input 1 dB compression point Pi (1dB) of ‒11 dBm
  • High out of band IP3i of 9 dBm
  • Supply voltage 1.5 V to 2.85 V
  • Power-down mode current consumption < 1 uA
  • Optimized performance at low supply current of 4.5 mA
  • Integrated matching for the output
  • Requires only one input matching inductor and one supply decoupling capacitor
  • Input and output DC decoupled
  • ESD protection on all pins (HBM > 2 kV)
  • Integrated temperature stabilized bias for easy design
  • Small 6-pin leadless package 1 mm × 1.45 mm × 0.5 mm
  • 110 GHz transit frequency - SiGe:C technology
  • LNA for GPS, GLONASS, Galileo and Compass (BeiDou) in automotive applications like Toll Collection and Emergency Call. LNA for GPS, GLONASS, Galileo and Compass (BeiDou) in smart phones, feature phones, tablet PCs, Personal Navigation Devices, Digital Still Cameras, Digital Video Cameras, RF Front End modules, complete GPS chipset modules and theft protection (laptop, ATM).

    • LNA for GPS, GLONASS, Galileo and Compass (BeiDou) in automotive applications like Toll Collection and Emergency Call.
    • LNA for GPS, GLONASS, Galileo and Compass (BeiDou) in smart phones, feature phones, tablet PCs, Personal Navigation Devices, Digital Still Cameras, Digital Video Cameras, RF Front End modules, complete GPS chipset modules and theft protection (laptop, ATM).

    Documentation

    Quick reference to our documentation types

    1-10 of 13 documents

    Compact List

    Application Note (2)
    Brochure (2)
    Data Sheet (2)
    Package Information (1)
    Packing Information (1)
    Supporting Information (1)
    User Guide (4)

    Design Resources

    Hardware

    Quick reference to our board types.

    4 hardware offerings

    Support

    What do you need help with?