
OM7804
No Longer Manufactured
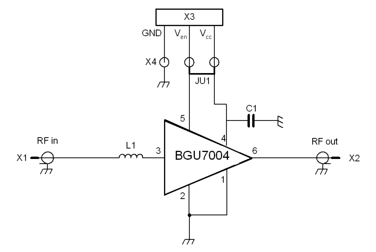
GPS low-noise amplifier evaluation board using BGU7004.
Kit Contains
- BGU7004 LNA evaluation board in ESD safe packing



