
OM7692
No Longer Manufactured
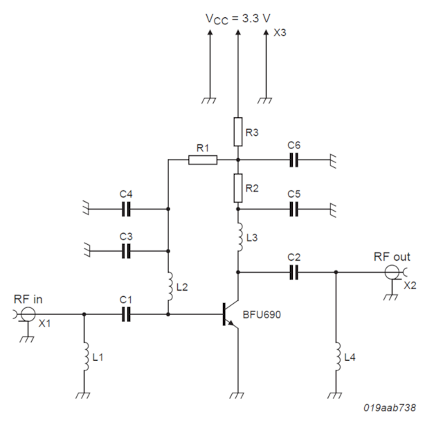
LNA evaluation board for BFU690 in the frequency range of 2.33 GHz.
Kit Contains
- Evaluation board mounted with signal input and output SMA connectors for connection to RF test equipment



