OM7829
No Longer Manufactured
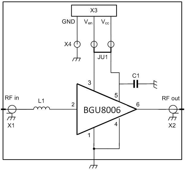
BGU8006 GNSS LNA evaluation board.
Kit Contains
- BGU8006 LNA evaluation board in ESD safe packing

