Product Longevity
Participating products are available for a minimum of 10 years. Designated participating products developed for the automotive, telecom and medical segments are available for a minimum of 15 years.
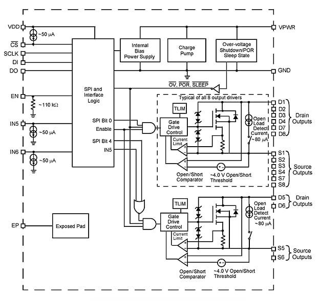
The NXP® MC33879 device is an 8-output hardware configurable, high side/low side switch with 16-bit serial input control using the serial peripheral interface (SPI).

Note: To see the product features close this window.
Participating products are available for a minimum of 10 years. Designated participating products developed for the automotive, telecom and medical segments are available for a minimum of 15 years.
|
|
|
|
|
|
|
|---|---|---|---|---|---|
|
|
|
|
|
|
|
|
|
|
|
|
|
|
|
|
|
|
|
|
|
|
|
|
|
|
|
|
|
|
|
|
|
|
|
|
|
|
|
|
|
|
|
|
|
|
|
|
|
|
|
|
|
|
|
|
|
|
|
|
|
|
|
|
|
|
|
|
|
|
Quick reference to our documentation types
7 documents
Compact List
Please wait while your secure files are loading.
Receive the full breakdown. See the product footprint and more in the eCad file.
Receive the full breakdown. See the product footprint and more in the eCad file.
4 hardware offerings




Quick reference to our software types.
1 software file
Note: For better experience, software downloads are recommended on desktop.
Please wait while your secure files are loading.
2 engineering services
There are no results for this selection.
To find additional partner offerings that support this product, visit our Partner Marketplace.