Product Longevity
Participating products are available for a minimum of 10 years. Designated participating products developed for the automotive, telecom and medical segments are available for a minimum of 15 years.
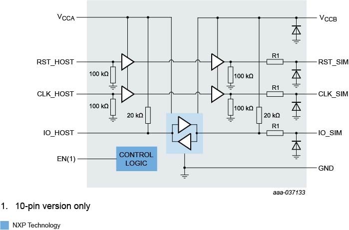
The NVT4858 device is an SD 3.0-compliant bidirectional dual voltage level translator with auto direction control. It is designed to interface between a memory or SIM card operating between 1.65 V to 3.6 V signal levels and a host with a supply voltage of 1.08 V to 1.95 V.
The device supports SD 3.0 SDR104, SDR50, DDR50, SDR25, SDR12 and SD 2.0 High-Speed (50 MHz) and Default-Speed (25 MHz) modes. The device has an auto-enable/disable function connected to the VCCB supply pin, built-in EMI filters and robust ESD protections (IEC 61000-4-2, level 4).
This device also supports SIM card voltage level translator using CLK and two of the data lines for SD and SIM card combo sockets.
| NVT4857UK | NVT4858UK | NVT4858HK | |
|---|---|---|---|
| SIM Card Level Translator | |||
| Internal LDO | |||
| Package | WLCSP20 | WLCSP16 | HQFN16 |
Participating products are available for a minimum of 10 years. Designated participating products developed for the automotive, telecom and medical segments are available for a minimum of 15 years.
|
|
|
|
|
|
|
|---|---|---|---|---|---|
|
|
|
|
|
|
|
|
|
|
|
|
|
|
|
|
|
|
|
|
|
|
|
|
|
|
|
|
|
|
|
|
|
|
|
|
|
|
|
|
|
|
|
|
|
|
|
|
|
|
|
|
|
|
|
|
|
|
|
|
|
|
|
|
|
|
|
|
|
|
Quick reference to our documentation types
5 documents
Compact List
Please wait while your secure files are loading.
1 design file
Receive the full breakdown. See the product footprint and more in the eCad file.
Please wait while your secure files are loading.
2 hardware offerings

